View Categories

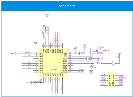
Holyiot NRF52832 WL-CSP Module Bluetooth

Antenne céramique sur le module

cliquez l’image pour accéder au site de vente

descriptif #

programmateur JLINK #

Mais il faut un programmateur avec protocole SWD pour y charger un firmware et lui indiquer d’envoyer des trames Bluetooth dès la mis en marche

Powered by BetterDocs